Основная информация - приточно-вытяжная установка ВЕНТС ВУТ 400 ЭГ ЕС ЭКО с рекуперацией тепла
Вентиляционная приточно вытяжная установка VENTS ВУТ 400 ЭГ ЕС ЭКО - это полностью готовый вентиляционный агрегат, который подойдет для работы по вытяжке отработанного и спертого воздуха из помещения, с дальнейшей подачей свежего приточного воздуха, с предварительной его фильтрацией и возможным подогревом, с целью сохранения наиболее подходящих климатических условий. Вытяжной воздух проходит через пластинчатый рекуператор противоточного типа и отдает ему своё тепло, далее приточный воздух проходит через этот же рекуператор, а далее подается в помещение, тем самым обеспечивая комфортные условия.
ВУТ ЭГ ЕС ЭКО – модель с противоточным рекуператором выполненным из полистирола, байпасом, ЕС-моторами и электрическим нагревателем.
Данная установка отлично подойдет для применения в системах вентиляции и кондиционирования помещений разнообразного назначения. За счет использования высокоэффективных ЕС-моторов и увеличенного рекуператора противоточного типа, показатели энергосбережения установок серии ЭКО являются одними из наилучших на рынке. Агрегат отлично подойдет в качестве вспомогательного оборудования, снимая нагрузку и экономя потребление электроэнергии.
Присоединение установки возможно только к круглым воздуховодам определенного диаметра. Больше полезной информации вы сможете получить от нашим профессиональных менеджеров Интернет магазина "ОВК Днепр", которые всегда готовы оказать помощь по выбору нужного вентиляционного оборудования.
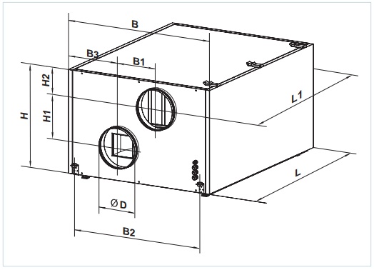
Габаритные размеры установки
| Размеры, мм | |||||||||
|---|---|---|---|---|---|---|---|---|---|
| ∅D | B | B1 | B2 | B3 | H | H1 | H2 | L | L1 |
| 199 | 687 | 255 | 588 | 220 | 514 | 235 | 139 | 1092 | 1174 |
Характеристика конструкции
Корпус изготовлен из алюмоцинковой стали повышенной прочности. С внутренней стороны корпуса имеется слой минеральной ваты толщиной 25 мм, который выполняет тепло- и звукоизоляционные функции. Данный материал довольно продолжительное время устойчив к коррозийным образованиям.
Модель также комплектуется двумя фильтрами. Для фильтрации приточного воздуха в установке имеется карманный фильтр со степенью очистки G4, опционально доступен F7. Для фильтрации вытяжного воздуха – кассетный фильтр G4.
Всё функционирование проходит при помощи высокоэффективных электрокоммутируемых ЕС моторов с внешним ротором. На двигателе установлены рабочие колеса с назад загнутыми лопатками, для достижения наиболее высоких рабочих характеристик. ЕС двигатели, на сегодняшний день, являются наиболее передовым решением, обладая при этом высокой производительностью и оптимальным управлением во всем диапазоне скоростей вращения. Главным преимуществом электронно-коммутируемого двига теля является высокий КПД (до 90%).
Установки борудованы вентиляторами постоянного расхода с рабочими колесами с загнутыми вперед (назад для больших типоразмеров) лопатками. Такие вентиляторы обеспечивают настроенный расход, даже если сопротивление вентиляционной системы изменяется в процессе работы, например, при запылении фильтров.

Характеристика рекуператора
Данная приточно-вытяжная установка работает при помощи противоточного рекуператора, который изготовлен из полистирола. В холодный период года тепло вытяжного воздуха передается приточному, что снижает потери тепла за счет вентиляции. Но в этом случае возможно образование конденсата, что собирается в специальном поддоне и отводится в канализацию. В теплый период года тепло уличного воздуха передается вытяжному воздуху. Таким образом, приточный воздух попадает в помещение более прохладным, что снижает нагрузку на кондиционер.

Нагреватель установки
Установки ВУТ/Э ЭГ ЕС ЭКО оборудованы электрическим нагревателем для дополнительного нагрева приточного воздуха после рекуператора, что в значительной мере расширяет функциональные особенности модели.

Управление и автоматика
Установка оборудована встроенной системой автоматики и многофункциональной панелью управления с сенсорным графическим дисплеем. В комплект поставки входит провод длиной 10 м для соединения установки с панелью управления. Для предотвращения обмерзания рекуператора в установках предусмотрена возможность выбора одного из двух алгоритмов защиты от обмерзания.
Монтаж
Модель предназначена для настенного или напольного монтажа. Доступ для сервисного обслуживания и чистки фильтров со стороны передней панели.

Чтобы получить больше полезной информации или купить приточно-вытяжную установку ВЕНТС ВУТ 400 ЭГ ЕС ЭКО с рекуперацией тепла, обращайтесь за консультацией к профессиональным менеджерам Интернет магазина "ОВК Днепр". Мы окажем помощь по выбору необходимой модели, быстро оформим заказ, а также проконтролируем оперативную доставку в Днепре или по всей Украине.
| Приточно-вытяжные установки | |
| Потребляемая мощность, Вт | 306 |
| Ток, А | 2 |
| Производительность, м³/ч | 450 |
| Фазность, ˜ | 1 |
| Размер воздуховода, мм | 200 |
| Наличие рекуператора тепла | Да |
| Тип рекуператора тепла | пластинчатый |
| Тип фильтра | G4 |
| Тип нагревателя | Электрический |
| Тип монтажа | Настенные |
| Напряжение, В | 230 |
| Частота тока, Гц | 50 |
| Уровень шума, дБА | 28-47 |
| Размер патрубка, мм | 200 |
| Эффективность рекуперации, % | от 75 до 95 |



